版權所有@北京大風天利科技有限公司
各種類型電站仿真培訓系統
各種類型電站仿真培訓系統
一、系統概述
大風科技電站仿真技術源于清華大學能源與動力工程系,核心團隊成員有著30多年的電站仿真系統開發經驗,擁有完全自主知識產權的大型科學計算與仿真支撐平臺SimuWorks?,以及能源、動力、電氣與控制專業高精度機理數學模型。清華大學是我國最早開展電站仿真系統研究的單位,先后獲得國家科技進步一等獎、全國十大科技成就獎、以及多項省部級獎勵。公司成立后,獨立或與合作伙伴(包括多所大學和自動化廠家)開發了各種類型的電站仿真系統上百套。
電站仿真系統涵蓋了對整個電廠的主機和輔助系統、控制系統、主控室的操作員站、現場的就地操作等進行了逼真的模擬,可以用于正常工況操作、變工況操作、故障處理操作等過程的培訓和考核。
經過三十年的工程錘煉,大風科技的仿真系統具有如下顯著特征:
1. 模型具有穩定性強、精度高的特點。
2. 采用圖形化的組態建模方法,不但開發效率高,而且向用戶提供了自行修改仿真模型的便捷方法。
3. 支持一機多模和分組仿真功能,可以在一套計算機系統上同時運行多套仿真模型,或者一套仿真模型的多個實例,各組之間的操作相互沒有影響,極大方便了對多人的同時培訓。
4. 擁有先進的自動評分系統,支持理論和實操考核,可以對學員的操作給出科學化的考評結果,作為合格上崗的依據。
5. 即可用于電廠運行人員培訓、高職高專實訓操作,又可用于系統動態特性和控制策略研究。
根據實際情況,對于控制系統的仿真有如下幾種方案:
1. 組態方式:利用邏輯控制組態圖,自行組態生成仿真模型,盡量與實際DCS保持一致;
2. 翻譯方式:利用邏輯控制組態文件,通過翻譯方式生成仿真模型,與實際DCS基本一致;
3. 虛擬DCS方式:使用廠家提供的虛擬DPU,通過OPC接入仿真系統,與實際DCS完全一致。
二、系統軟件構成
電站仿真系統的軟件構成如下圖所示:
各組成部分說明如下:
1. 仿真支撐系統:采用大型科學計算與仿真引擎SimuEngine,作為仿真系統開發和運行的底層支撐。
2. 建模軟件:采用通用圖形化自動建模系統SimuBuilder,用于數學模型的開發和維護。
3. 模塊庫:包括了能源、動力、電氣、控制系統各種設備的數學模型,以及流體網絡和電氣網絡的實時求解算法庫。
4. 數學模型:采用SimuBuilder調用模塊庫中的設備數學模型組態而成,包括鍋爐系統(火電站)、汽輪機/燃氣輪機系統(火電站)、水輪機系統(水電站)、發電機系統、勵磁機系統、控制系統以及相關輔助系統等。
5. 通訊接口:通過API或OPC接口,實現與其它軟、硬件的連接。
6. 教控臺(教練員站):采用智能教控系統SimuTeacher,它除了提供各種教練員功能外,還包含了自動評分系統SimuScorer。
7. 人機界面:DCS操作站用于模擬主控室的操作員站,就地操作站用于模擬現場的就地操作。
三、系統硬件構成
電站仿真系統的硬件構成如下圖所示:
各部分說明如下:
1. 仿真服務器:運行大型科學計算與仿真引擎SimuEngine,以及鍋爐、汽機、電氣和控制系統的數學模型;
2. 教練員站:運行智能教控系統SimuTeacher,用于執行仿真系統的管理、分組和各種培訓功能;
3. 操作員站/就地操作站:運行操作員站或就地操作站軟件,其中前者用于模擬主控室的操作員站,后者用于模擬現場的就地操作;
4. 工程師站:運行通用圖形化自動建模系統SimuBuilder,用于修改模型組態,包括工藝流程、控制策略、系統參數等;
5. 虛擬DPU站:為可選設備,可用于替換控制系統部分控制環節的數學模型,執行實際DCS的功能;
6. 大屏幕投影系統:為可選設備,可運行和顯示教練員站、操作員站、就地操作站和工程師站的界面,用于展示和教學。
四、數學模型
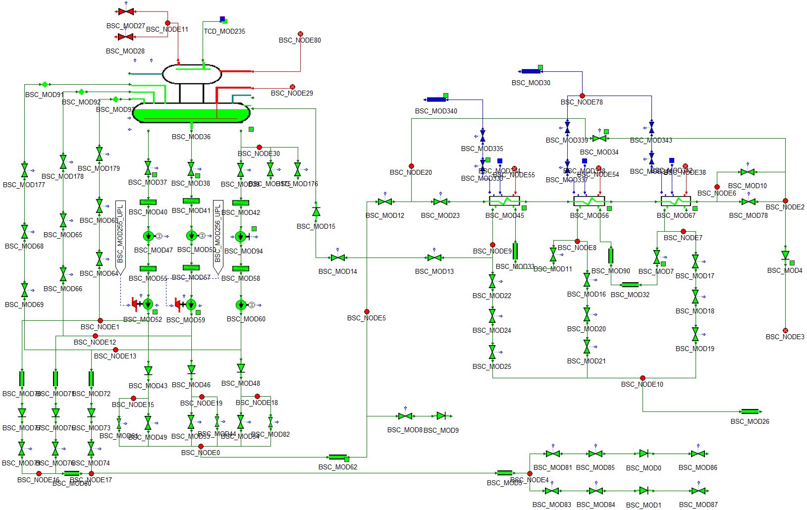
數學模型使用SimuBuilder,采用圖形化組態建模的方法開發完成。由于這些組態圖與實際系統的流程圖是一致的,所以非常容易理解,用戶可以在此基礎上進行修改,以配合系統的技改或控制策略優化。如下圖所示為給水系統的組態圖:
五、教練員站
教練員站軟件除了提供常規的教練員功能外,還可以實現仿真系統的管理、分組、遠程啟停、自動評分等功能。運行于仿真服務器的SimuEngine,也可以提供主要的教練員功能。教練員功能主要包括如下內容:
1. 初始工況選擇
2. 工況快速保存
3. 凍結與解凍
4. 重演
5. 追憶
6. 加速與減速
7. 故障設置
8. 參數修改
9. 操作監視、記錄和自動評分
六、操作員站
操作員站軟件用于模擬主控室的操作員站,操作界面采用仿真實時圖形系統SimuMMI組態而成,下圖為機組協調控制中心的界面:
七、就地操作站
就地操作站軟件用于模擬現場的就地操作,也是采用SimuMMI組態而成,下圖為公用UPS接線圖的界面:

八、產品規格
經過多年的開發與積累,公司已經擁有各種類型電站仿真系統上百套,規格按分類如下表所示:
常規電站 600MW亞臨界電站仿真系統
300MW亞臨界電站仿真系統 6MW電站仿真系統 |
循環流化床電站
600MW CFB超臨界電站仿真系統 50MW CFB電站仿真系統 |
超臨界電站 1000MW超臨界電站仿真系統
600MW超臨界電站仿真系統 |
|
垃圾焚燒電站
15MW CFB垃圾焚燒電站仿真系統 |
|
聯合循環電站 9F級燃氣-蒸汽聯合循環電站仿真系統 9E級燃氣-蒸汽聯合循環電站仿真系統 6B級燃氣-蒸汽聯合循環電站仿真系統 |
水電站仿真系統 700MW混流式水電站仿真系統 30MW水斗式水電站仿真系統 |
下面是從各種類型電站仿真系統中所選取的典型案例介紹,可分別點擊鏈接查看: